0
速度传感器 SW-S-D3410
  • 货运港口:上海港/宁波港
  • 生产能力:每月10000只/套
  • 质量保证:质保期一年
  • 付款方式:生产前30%订金,出货前70%
  • 最小起订:500只/套
库存类型

A

需求数量库存:0

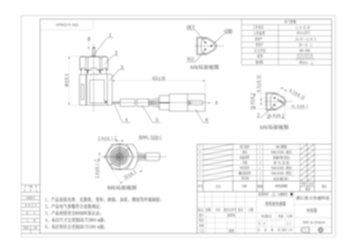
参数图纸
检测报告
厂家暂时还没上传报告
车型
FORD,MAZDA
OEM NO.
本内容已隐藏,请登录后查看
  • 自公司成立以来,胜王公司一直致力于传感器的研发。
  • 经过20多年的发展,公司现有产品型号超过6000余种,覆盖了国内外1000余款车型,船舶和机器设备。
  • 公司产品获得10几项新型使用专利,1项产品发明专利,并通过IATF 16949:2016体系认证。
  • 公司拥有强大的技术研发团队和产品的大数据分析系统,每年能研发出超200款以上具有市场竞争力的传感器产品。
  • 研发控制: 1. 记录产品参数性能,建立图纸尺寸档案
    2. 制作产品整套工艺文件
    3. 对开发原样进行封样存放,做为原始数据标准
  • 物料控制: 1. 选择优质供应商
    2. 严格检验来料,并做文件记录
    3. 对核心元件进行恒温恒湿储存
  • 生产控制 1. 做生产设备的操作前点检
    2. 做工序首,末检及文件记录
    3. 做过程巡检及文件记录
  • 成品检验控制: 1. 做检验设备的操作前点检
    2. 对产品性能和关键指标进行100%全检
  • 出货前检验控制: 1. 对产品外观进行检查
    2. 对包装质量进行检查
版权所有 (c) _浙江胜王传感器有限公司